☰
Пн–Пт 8:00–17:00
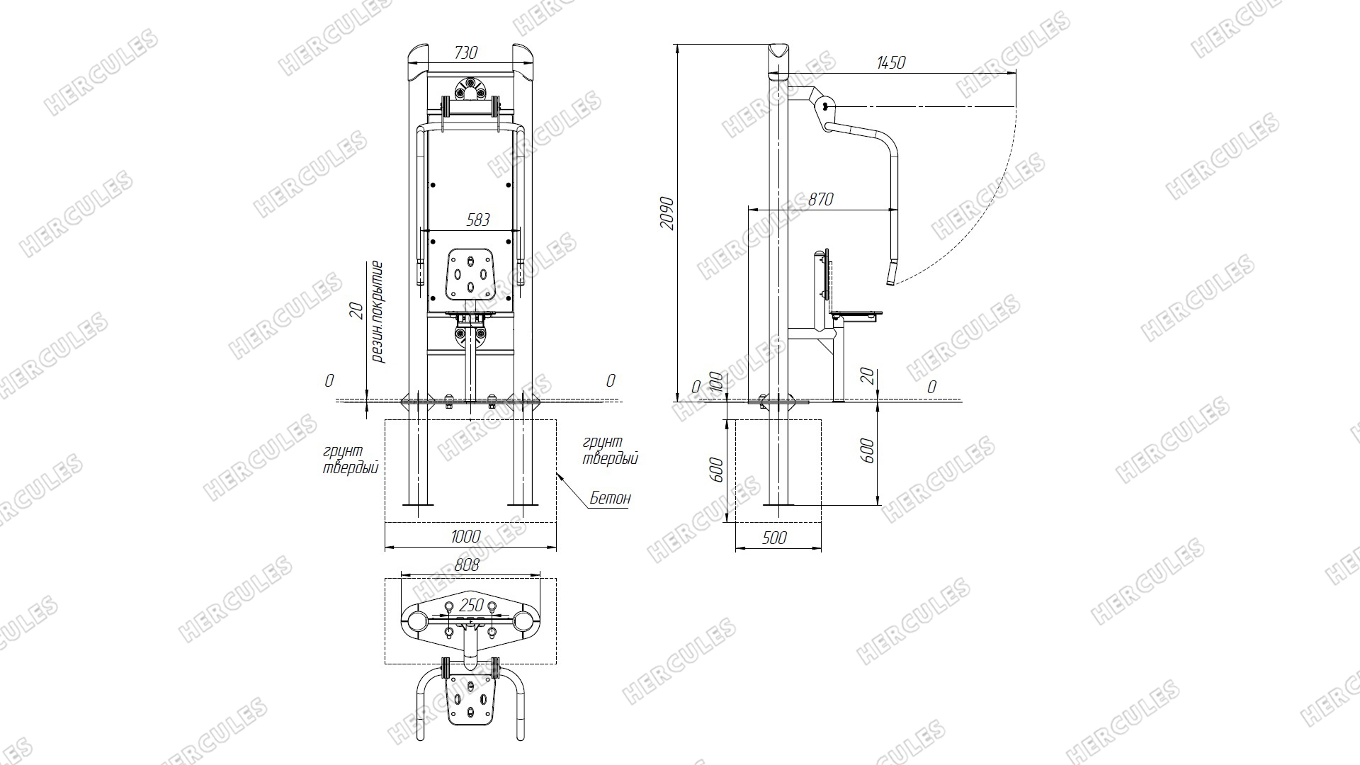
ZV-028 Жим от груди для здоровых людей и колясочников
Артикул: 35779
Тренажер предназначен для здоровых людей и людей пенсионного возраста. Однако, благодаря механизму складывания сиденья, устройство также подходит для людей в инвалидной коляске. Механизм нагружения обеспечен резиновыми демпферами с увеличивающейся нагрузкой при выполнении упражнения "жим от груди".
Укрепляет и развивает мышцы верхней части груди и мышцы спины, улучшая сердечно-дыхательную выносливость.
Тренажер предназначен для пользователей старше 18 лет, ростом выше 150 см.
Укрепляет и развивает мышцы верхней части груди и мышцы спины, улучшая сердечно-дыхательную выносливость.
Тренажер предназначен для пользователей старше 18 лет, ростом выше 150 см.
Характеристики
Стальной прокат с полимерным покрытием: труба диам.108, 76, 42, 34, 21, 40х25 мм, лист стальной 10, 8, 5, 3, пруток стальной диам.50, 8 мм
Ручки - ПВХ, отбойники, втулки - резина. Подшипники в подвижных узлах рычага, колпачки, заглушки, кожух, сиденье и спинка - пластиковые
Габариты
Габариты наземной части ДхШхВ: 870 (1450) х 740 х 2090 мм
Вес тренажера в сборе 137 кг.
Допустимый вес пользователя - 120 кг.
Зона безопасности 4,5х3,8 м
Монтаж
Бетонирование закладного элемента.
Объем бетона примерно 0,3 м3.
Посмотреть другие товары в категории Уличные тренажеры для инвалидов
Похожие товары
78 500 руб.
Арт: 3822
374 900 руб.
Арт: 32067
Вы смотрели





